産品展示Product Center
産品展示當前位置:首頁 > 産品展示 > 61C-系列
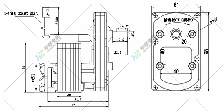
61C-系列


在線咨詢
微(wēi)信号
全國(guó)銷售熱(rè)線